
XU系列交叉滾子軸承提供安裝孔(集成內/外環(huán)型),這種模式不需要固定法蘭或外殼。另外,由于它有個集成的內/外圈結構,并配有墊圈,其性能幾乎不受該安裝過程的影響,從而確保穩(wěn)定的旋轉精度和扭矩。XU系列可同時用于內圈旋轉和外圈旋轉。您在選擇此類軸承時,可先與我們聯系,索取軸承工況調查表,填寫后回傳至我公司,我們技術部門會根據實際工況幫助您進行軸承選型

| XU輕系列(無齒型) 安裝尺寸(mm) | 重量 | ||||||||||||
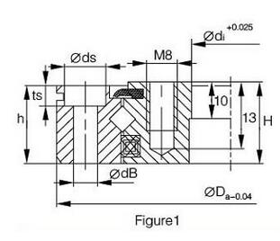
| 基本型號 | Da | di | La | dB | na | Li | H | h | da | Di | ds | ts | kg |
| XU050077 | 112 | 40 | 97 | 6.6 | 6 | 56 | 22 | 21 | 74 | 77.5 | 11 | 5.5 | 1.4 |
| XU060094 | 140 | 57 | 120 | 9 | 6 | 70 | 26 | 25 | 93.4 | 94.6 | 15 | 6 | 2.4 |
| XU120179 | 234 | 124.5 | 124.5 | 11 | 12 | 144.5 | 35 | 35 | 178 | 180 | 7 | ||
| XU160220 | 302 | 138 | 138 | 18 | 10 | 170 | 46 | 46 | 219 | 221 | 16 | ||
| XU160260 | 329 | 191 | 191 | 14 | 20 | 215 | 46 | 46 | 259 | 261 | 15 | ||
| XU180380 | 485 | 275 | 275 | 18 | 16 | 307 | 55 | 55 | 379 | 381 | 45 | ||
| XU160405 | 474 | 336 | 336 | 14 | 30 | 360 | 46 | 46 | 404 | 406 | 25 | ||
| XU180412 | 501 | 324 | 324 | 18 | 18 | 356 | 55 | 55 | 411 | 413 | 40 | ||
| XU180433 | 522 | 344 | 344 | 18 | 20 | 376 | 55 | 55 | 432 | 434 | 42 | ||
| XU220460 | 568 | 356 | 356 | 22 | 18 | 396 | 64 | 64 | 458 | 462 | 64 | ||
| XU180475 | 562 | 388 | 388 | 18 | 20 | 420 | 55 | 55 | 474 | 476 | 46 | ||
| XU300515 | 646 | 384 | 384 | 26 | 18 | 432 | 86 | 86 | 513 | 571 | 115 | ||
| XU300515 | 655 | 435 | 435 | 22 | 24 | 475 | 79 | 79 | 543 | 547 | 94 | ||
| XU220574 | 680 | 468 | 468 | 22 | 20 | 508 | 68 | 68 | 572 | 576 | 82 | ||
| XU300586 | 704 | 468 | 468 | 22 | 36 | 508 | 86 | 86 | 584 | 588 | 115 | ||
| XU280680 | 795 | 565 | 565 | 22 | 30 | 605 | 79 | 72 | 678 | 682 | 120 | ||
| XU300785 | 900 | 670 | 670 | 22 | 36 | 710 | 86 | 79 | 783 | 787 | 155 | ||
| XU260823 | 933 | 713 | 713 | 22 | 36 | 753 | 79 | 43 | 821 | 825 | 140 | ||
| XU160897 | 976 | 818 | 818 | 18 | 36 | 850 | 50 | 72 | 896 | 898 | 67 | ||
| XU260980 | 1090 | 870 | 1050 | 22 | 44 | 910 | 79 | 91 | 978 | 982 | 165 | ||
| XU301117 | 1238 | 995 | 1198 | 22 | 60 | 1035 | 101 | 91 | 1115 | 1119 | 265 | ||